Zapouzdření: termoplast -40 až +90°C INS
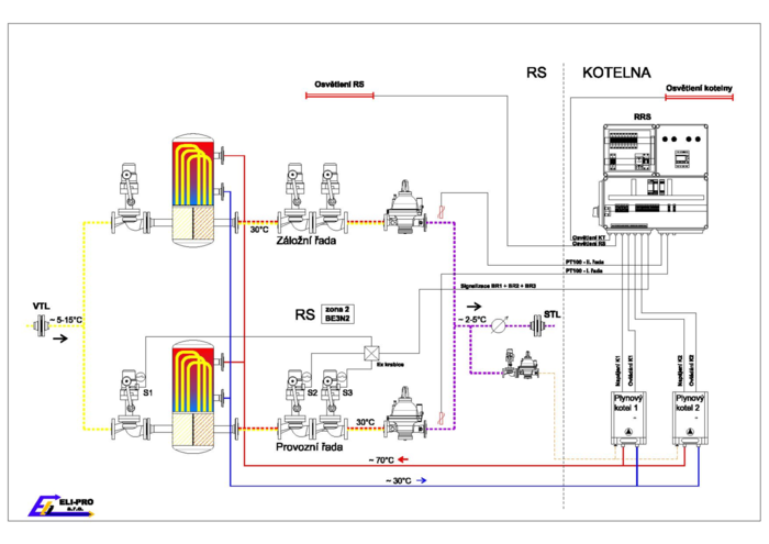
Typ regulace: plyn – ON/OFF ZELIO – kaskáda kotlů, blokace ohřevu dle průtoku Q
Snímač teploty: 1x snímač teploty na STL výstupu, nebo teplota z DPD - signál 4-20mA
Určeno pro: RS s kotelnou, 1–2 stacionární kotle + čerpadla, ohřevy pilotů
Období realizací: 2015 – >
Klady a zápory: vývoj nového regulačního systému, více SW a HW možností s ovládáním akčních prvků v KT
Budova: FEAL
Základní informační cena: XX.XX Kč
Tento rozvaděč nahrazuje starý rozvaděč
Zapouzdření: termoplast -40 až +90°C INS
Typ regulace: plyn – ON/OFF ZELIO – kaskáda kotlů, blokace ohřevu dle průtoku Q
Snímač teploty: 1x snímač teploty na STL výstupu, nebo teplota z DPD - signál 4-20mA
Určeno pro: RS s kotelnou, 1–4 závěsné kotle, stacionární kotle + čerpadla
Období realizací: 2015 – >
Klady a zápory: vývoj nového regulačního systému, více SW a HW možností s ovládáním akčních prvků v KT
Základní informační cena: XX.XX Kč
Tento rozvaděč nahrazuje starý rozvaděč
Zapouzdření: termoplast -40 až +90°C Mi
Typ regulace: 2x PIXSYS, PID - polovodičové spínání všech fází
Snímač teploty: 4x Pt 100 (2x EP, 2x výstup STL), blokace ohřevu dle průtoku Q
Určeno pro: el. předehřevy 2, 4, 6, 12 a 18kW
Období realizací: 2016 - >
Klady a zápory: snadná výměna za porouchaný rozvaděč s regulací CRYTHERM AE, polovodičové spínání SSR (spínání v nule). Variantně nutnost instalace KS na BR (dle SW koncepce reg. CRYTHERM).
Základní informační cena: XX.XX Kč
Tento rozvaděč nahrazuje starý rozvaděč
Zapouzdření: termoplast -40 až +90°C Mi
Typ regulace: PIXSYS, PID - polovodičové spínání všech fází
Snímač teploty: Pt 100 na STL výstupu, blokace ohřevu dle průtoku Q
Určeno pro: el. předehřevy 2, 4, 6, 12 a 18kW
Období realizací: 2016 - >
Klady a zápory: snadná výměna za porouchaný starý rozvaděč s tyristorovou regulací, ovládací prvky rozvaděče jsou totožné s el. rozvaděčem s tyristorovou regulací, polovodičové spínání SSR (spínání v nule), nouzové zapnutí el. předehřevu v případě poruchy regulace
Základní informační cena: XX.XX Kč
Tento rozvaděč nahrazuje starý rozvaděč
U Ráje 195, 403 21
Ústí nad Labem 17 - Brná